Wipers
Rotowiper NRC
Rotowiper NRC for linear and/or slow rotating movements.
NRC ROTOWIPERS are made up of an element in NEUFLON-ptfe and an O-Ring which is the energyzing element.
Speed up to 120 rpm with a max. of 0.6 m/sec for the peripheral speed and 5m/sec for the linear movements
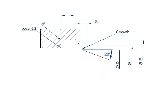
They are installed in the very same grooves of the NRC Wipers<
NRC ROTOWIPERS are made up of an element in NEUFLON-ptfe and an O-Ring which is the energyzing element.
Speed up to 120 rpm with a max. of 0.6 m/sec for the peripheral speed and 5m/sec for the linear movements
They are installed in the very same grooves of the NRC Wipers<
OVERVIEW
APPLICATIONS Hydraulics, pneumatics, chemical and food processing equipmentsTemperature range -60 a + 250°C |
CHARACTERISTICS Minimum dimensionsClosed groove Very low couple Protected wiper lip Ample chemical resistance range |

NRC

Housing |
D |
E |
I |
L |
R |
S |
In closed groove |
|
standard range |
special range |
H9 |
H12 |
H12 |
||||
W1 |
6 - 11,9 |
5 -100 |
D + 4,8 |
D + 1,5 |
3,7 |
0,3 |
1.4 |
20 |
W2 |
12 - 64,9 |
8 - 250 |
D + 6,8 |
D + 1,5 |
5,0 |
0,3 |
2.6 |
30 |
W3 |
65 - 250,9 |
10 - 450 |
D + 8,8 |
D + 1,5 |
6,0 |
0,4 |
3 |
40 |
W4 |
251 - 420,9 |
15 - 650 |
D + 12,2 |
D + 2,0 |
8,4 |
0,5 |
7 |
60 |
W5 |
421 - 650 |
120 - 1100 |
D + 16 |
D + 2,5 |
11,0 |
0,6 |
10 |
120 |
Coding example | |
profile code NRC rod 100 housing class W3 materials: Neuflon 031 O-Ring NBR |
Rotowiper NRC 100 W3 N-031 NBR |
materials
Click compound's code to download the .PDF data sheet. Login required.
PTFE COMPOUNDS
HD Slippers code |
Composition | Approvals | ΔT °C | Description |
N-009 | Ptfe-oxides | -268 +260 | All pourpose on soft surfaces | |
N-032 | Ptfe-carbon | -268 +260 | High wear resistance, pneumatic and hydraulic seals | |
N-197 | Ptfe-carbographite | NORSOK | -268 +260 | High wear resistance, hydraulic and pneumatic seals |
N-043 | Ptfe-graphite | FDA | -268 +260 | High wear resistance, low friction coefficient. |
N-103 | Ptfe-carbon fibre | FDA | -268 +260 | High wear resistance, low friction coefficient, hard surfaces. |
N-033 | Ptfe-glass fibre-MoS2 | -268 +260 | Of general use, in lubricated applications, rotary seals | |
N-060 | Ptfe-glass fibre | FDA | -268 +260 | All pourpose on hard surfaces |
N-067 | Ptfe-glass fibre | FDA NORSOK |
-268 +260 | High wear and creep resistance |
N-102 | Ptfe-Liquid crystal polymer | FDA - EU |
-268 +260 | Food & Pharma on soft surfaces |
N-088 | Ptfe-poliimmide | -268 +260 | High wear resistance. Soft surfaces | |
N-074 | PEHMW | FDA | -140 +80 | High wear and extrusion resistance |
CHOOSING Neuflon-ptfe compound ACCORDING WITH FLUID AND SURFACE | ||||
SURFACES | ||||
Steel HEC>=30-45 Temp. Mart. Inox Steel Cast Iron HRB<=200 Steel HRC>=45 Cast Iron HRB>200 |
Galvanic or chemical surfacing HV>=700 Chromium Bronze |
Treated Aluminium | Aust. Inox Steel Glass |
|
FLUIDS | NEUFLON-ptfe compounds (standard in bold) | |||
Hydraulic oil Transmission oil Fire resistant syntetic hydraulic oil |
N-031 N-032 N-060 N-077 P95-G114 |
N-031 N-032 N-060 N-077 P95-G114 |
N-032 N-074 P95-G114 | N-009 N-032 N-074 P95-G114 |
Water and oil/water emulsions | N-032 N-060 N-077 N-074 |
N-032 N-060 N-077 N-074 |
N-032 N-074 |
N-009 N-032 N-074 |
Drugs and food | N-102 N-043 N-060 N-074 N-088 P95-G114 |
N-009 N-074 P95-G114 |
N-009 N-074 P95-G114 |
N-009 N-074 P95-G114 |
Air | N-032 N-031 N-043 N-074 P95-G114 |
N-032 N-043 P95-G114 |
N-032 N-074 P95-G114 |
N-032 N-009 N-043 N-074 P95-G114 |
Steam | N-032 N-043 |
N-032 | N-032 N-009 N-043 |
|
Acids and Bases |
N-032 |
N-032 N-043 N-074 |
N-009 N-032 N-043 N-074 |
Vuoi maggiori informazioni?
Contatta il nostro laboratorio per soluzioni standard dal nostro catalogo e per prodotti personalizzati.
availability
- To check the availability:
-choose profile and compound from the drop-down menu
-input the desired housing class
-input the desired diameter - Once obtained the availability, a request for quotation can be sent.