A Neuflon-PTFE compound tape intended to be used as a guiding element.
Neuflon N-071 hydraulic applications
Neuflon N-059 pneumatic applications
Long life of both the skate and the sliding surface. Low friction and no Stick-Slip. Possibility of dry running. Exceptional resistance to the 'Diesel effect'. Ample thermal and chemical resistance. Ready availability from coils.
Guide rings
Ptfe rod guide rings

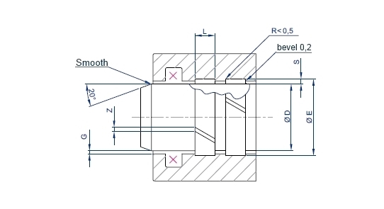
Cross Section Code | S Thickness |
E Groove diameter |
L Groove width |
G Rod-Box clearence |
Z Gap clearence |
length |
J8 - H8 | H11 | max S x 0,4 | +0 / -0,3 | |||
HD SC 3,2/1,5 | 1,5 | D + 2 x S | 3,2 | depends from the seal max S x 0,4 |
1 + D x 0,03 | 3,14x(D+S)-Z |
HD SC 3,2/2,5 | 2,5 | 3,2 | ||||
HD SC 4,2/1,5 | 1,5 | 4,2 | ||||
HD SC 4,2/2,5 | 2,5 | 4,2 | ||||
HD SC 6,3/1,5 | 1,5 | 6,3 | ||||
HD SC 6,3/2,5 | 2,5 | 6,3 | ||||
HD SC 8,1/1,5 | 1,5 | 8,1 | ||||
HD SC 8,1/2,5 | 2,5 | 8,1 | ||||
HD SC 9,7/2,5 | 2,5 | 9,7 | ||||
HD SC 15/2,5 | 2,5 | 15 | ||||
HD SC 20/2,5 | 2,5 | 20 | ||||
HD SC 25/2,5 | 2,5 | 25 | ||||
HD SC 30/2,5 | 2,5 | 30 |
Coding example | |
housing class: HDSC Section: 9,7/2.5 (thikness 2.5 width 9.7) Material: N-071 (hydraulics) Rod: 100 |
HDSC - 9,7/2.5 - N-071 - 100 |
materials
ELASTOPLASTIC DEFORMATION / LOAD![]() |
FRICTION COEFFICIENT / SPEED![]() |
MATERIAL | ||||
CHARACTERISTICS | SPECIFICATION | UNITS | NEUFLON-071 | NEUFLON-059 |
SPECIFIC LOAD Qs T <=100°C | N.mm-2 | 2.5 | 2.6 | |
Compression modulus at 1% of deformation | D695-54 | N.mm-2 | 8 | 8.40 |
Hardness | D53505 | Shore D | 60 | 65 |
Friction Coefficient | 0.12 | 0.13 | ||
Max. Speed | m/sec | 5 | 5 | |
Thermal expansion coefficient | D696-70 | 10^-6 / °C | 90 | 85 |
Continual operational Temp. | °C | 250 | 250 | |
Peak Temperature | °C | 300 | 300 | |
Compatible with hydraulic oil | yes | yes | ||
Compatible with water/oil emulsions | yes | yes | ||
Compatible with DOT 3 DOT4 | yes | yes | ||
Compatible with water | no | yes | ||
Compatible with phosphoric esters | yes | yes | ||
Flammability | D635-68 | fire resistant | fire resistant |