Raschiastelo

Raschiastelo Energizzato Enerwiper

I raschiastelo energizzato Enerwiper consiste in un elemento raschiante in Neuflon ptfe, oppure PU o UHMW-PE, energizzato da molla inox
Il particolare profilo e la scelta dei materiali ne fanno un componente estremamente affidabile in grado di prevenire la penetrazione di contaminanti solidi e liquidi nella zona di guida e tenuta

 

Enerseal® Rotolip® Steplock® sono marchi registrati di HD Slippers Srl

OVERVIEW
CARATTERISTICHE

Mantenimento a lungo termine del precarico. Installazione in cava chiusa. Bassissimo attrito. Labbro raschiante protetto. Grande resistenza chimica e termica

CAMPO D'APPLICAZIONE

Oleodinamica e pneumatica
Farmaceutica ed alimentare nella versione con riempimento di silicone EU-FDA
Certificazione MOCA a richiesta

Movimenti rettilinei veloci e rotatori lenti
Velocita' lineare fino a 5 m/sec
Temperatura di impiego  -200  +260°C

 

Raschiastelo Enerwiper V84 - Enerwiper icon
Enerwiper
Raschiastelo Energizzato Enerwiper image
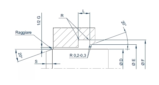
Classe
dimensionale
D
stelo
F
fondo gola
L
assiale
E
ritegno
R S
  f7 H9 H12 H12    
G 3 - 20 D + 2.9 2.4 D + 1,9 0,3 2,5
L 15 - 240 D + 4.5 3.6 D + 3,1 0,4 2,5
H 25 - 400 D + 6,2 4,8 D + 4,2 0,6 3
N 45 - 650 D + 9,4 7,1 D + 6,5 0,8 5,5
M 80 - 1100 D + 12,2 9,5 D + 8,6 0,8 8,5

 

Esempio di codifica
classe dimensionale N
stelo  100
materiali: jacket Neuflon 020 molla Aisi 302
Enerwiper N 100 N-020 302
assemblaggio

I raschiastelo Enerwiper sono abitualmente alloggiati in sede aperta

L'assemblaggio in sede chiusa è tuttavia possibile a partire da un diametro di STELO MINIMO in funzione della classe dimensionale.
Data la relativa rigidità del ptfe si richiede di deformare la guarnizione solo il minimo necessario.

 

Raschiastelo Enerwiper

 

 classe dimensionale

 

 Stelo Minimo

 

 

G

L

H

N

M

R

30

70

110

300

500

800

 

Vuoi maggiori informazioni?

Contatta il nostro laboratorio per soluzioni standard dal nostro catalogo e per prodotti personalizzati.​

materiali

 Per accedere alle schede tecniche (clic sul relativo codice) occorre prima registrarsi

 

Codice HD Slippers Composizione Colore Approvazioni

ΔT °C

Caratteristiche
N-009 Ptfe-ossidi azzurro   -268 +260 Impiego generale in tenute su superfici tenere
N-095 PTFE modificato bianco FDA -268 +260 Basso creep, migliore resistenza meccanica, bassa permeabilità
N-031 Ptfe-bronzo verde-azzurro   -268 +260 Alta resistenza all'usura, tenute idrauliche
N-032 Ptfe-carbone nero   -268 +260 Alta resistenza all'usura, tenute pneumatiche ed idrauliche
N-197 Ptfe-carbografite nero NORSOK -268 +260 Alta resistenza all'usura ed all'estrusione, tenute per idraulica e pneumatica
N-043 Ptfe-grafite nero FDA -268 +260 Alta resistenza all'usura, basso coefficiente d'attrito.
N-060 Ptfe-vetro azzurro FDA -268 +260 Impiego generale su superfici dure
N-067 Ptfe-vetro bianco FDA
NORSOK
-268 +260 Resistenza all'usura ed all'estrusione
N-033 Ptfe-vetro MoS2 grigio FDA -260 +260 Adatto all'uso su superfici dure
N-103 Ptfe-carbon fibre nero   -268 +260 Adatto all'uso su superfici dure
N-102 Ptfe-Liquid crystal polymer beige FDA - EU
-268 +260 Food & Pharma, superfici tenere.
N-088 Ptfe-polyimide giallo  

-268 +260

Adatto all'uso su superfici tenere
N-074 PEHMW bianco FDA -140 +80 Alta resistenza all'usura ed all'estrusione.
N-155 PVDF bianco FDA -30 +140 Alto modulo, bassa permeabilità
P95-A252 Poliuretano blu FDA -50 +105 Alta resistenza all'usura ed all'estrusione
P95-VI251 Poliuretano viola  FDA  -30 +115  Compatibile con i fluidi CIP (clean in place)
P95-R198 Poliuretano rosso   -30 +125 Alta resistenza ad usura ed estrusione, alte temperature
P95-AR255 Poliuretano arancio   -30 +135 Alta resistenza ad usure ed estrusione, alte temperature
P95-G253 Poliuretano MoS grigio   -30 +105 Alta resistenza all'usura ed all'estrusione, basso coefficiente d'attrito

 

TENUTE DINAMICHE
SCELTA DEL Neuflon-ptfe compound in funzione di Fluido e Controsuperficie
  CONTROSUPERFICIE
  Acciaio HEC>=30-45
Acc.Inox.Martens.Temp.
Ghisa HRB<=200
Acciaio HRC>=45
Ghisa HRB>200
Riporti galvanici o chimici HV>=700
Bronzo al cromo
Bronzo
Ottone
Alluminio anodizzato Acciaio Inox austenitico
Vetro
FLUIDO NEUFLON ptfe compound (standard in grassetto)
Olio idraulico
Olio da trasmissioni
Olio idraulico sintetico ignifugo
N-031
N-032 N-060 N-077 P95-A112
N-031
N-032 N-060 N-077 P95-A112
N-009
N-043 N-032 P95-A112
N-032
N-074 P95-A112
N-009
N-032 N-074 P95-A112
Acqua ed emulsioni acqua/olio N-032
N-060 N-077 N-074
N-032
N-060 N-077 N-074
N-009
N-043 N-074
N-032
N-074
N-009
N-032 N-074
Prodotti alimentari e farmaceutici N-009
N-043 N-060 N-074 P95-B113
N-009
N-074 P95-B113
N-009
P95-B113
N-009
N-074 P95-B113
N-009
N-074 P95-B113
Aria N-032
N-031 N-043 N-074
N-032
N-043
N-032
N-009 N-043 N-074
N-032
N-074
N-032
N-009 N-043 N-074
Vapore N-032
N-043
N-032 N-009
N-032 N-043
  N-032
N-009 N-043
Acidi e Basi N-032
N-074
N-032
N-043 N-074
    N-009
N-032 N-043 N-074

 

 

GUARNIZIONI ENERGIZZATE ENERSEAL - SCELTA DELLA MOLLA IN FUNZIONE DEL FLUIDO

FLUIDO MOLLA
OLIO IDRAULICO -OLIO PER TRASMISSIONI AISI 302
OLIO IDRAULICO SINTETICO IGNIFUGO AISI 302
ACQUA ED EMULSIONI ACQUOSE AISI 302
PRODOTTI ALIMENTARI E FARMACEUTICI AISI 302
ARIA AISI 302
VAPORE AISI 302
ACIDI E BASI ELGILOY
disponibilità

Per conoscere la disponibilità della guarnizione:

  • -scegliere profilo e materiale dai menù a tendina
  • -digitare la classe dimensionale
  • -immettere il diametro nominale della guarnizione

Ottenuta la disponibilità è possibile inviare una richiesta di quotazione.